A2FM 轴向柱塞定量马达A2F5/60W-B3,A2F5/60W-C3型号说明及元件尺寸
发布时间:2022-12-08
A2FM 轴向柱塞定量马达A2F5/60W-B3,A2F5/60W-C3型号说明及元件尺寸
A2F5/60W-B3,A2F5/60W-C3型号说明:

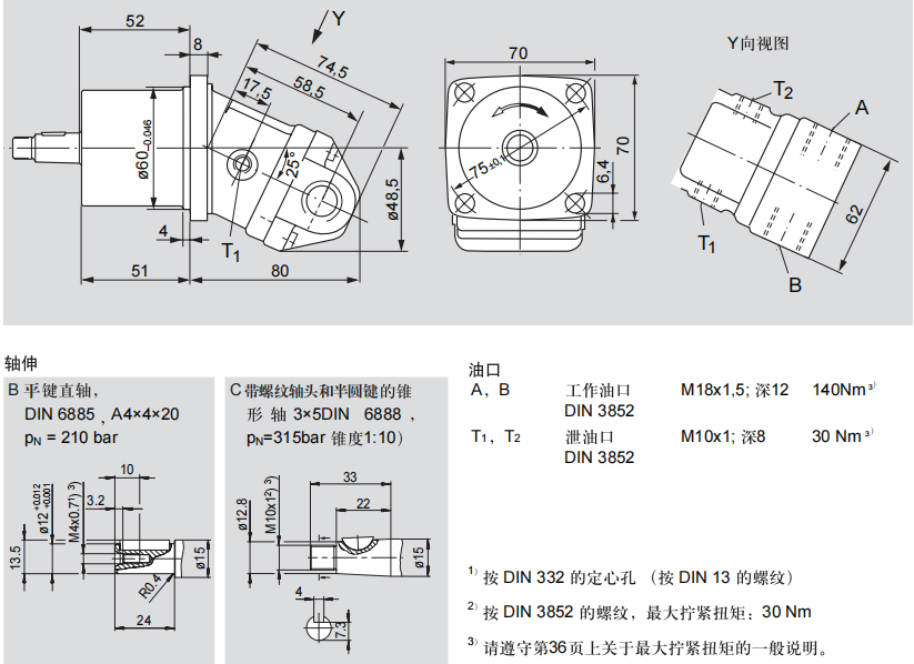
A2F5/60W-B3,A2F5/60W-C3元件尺寸:

A2FM 轴向柱塞定量马达参数:

1) 间歇运行期间(规格5...200)
2)带轴伸Z的允许最大径向力Fqmax=6500N
3)当轴向柱塞马达处于静止状态或在无压状态下工作时的最大允许轴向力。
当轴向柱塞马达处于静止状态或在无压状态下工作时。有压时,允许较高的径向力。请与我公司联系。5.请与我公司联系。
考虑允许径向力时,必须注意力的传递方向。
-Faxmax=延长轴承寿命
+Fax max=缩短轴承寿命(应尽可能避免)
径向力Fq对轴承使用寿命的影响
通过选择合适的Fq力传递方向,可以减少内部传递力作用在轴承上的力,从而延长轴承的使用寿命。配对齿轮的推荐位置取决于旋转方向。示例∶
工作油口A(B)的最小进油压力
为了避免马达损坏,必须保证在进油区有一最小进油压力。最小进油压力与定量马达的转速有关。




