A6VM系列力士乐轴向柱塞变量马达 HD-液压控制,与先导压力有关
发布时间:2022-12-13
REXROTH轴向柱塞变量马达A6VM技术参数表:
系列6
规格
公称压力/峰值压力
28-200
400 bar/450 bar
250-1000 350 bar/400 bar
开式和闭式回路
A6VM系列轴向柱塞变量马达 HD-液压控制,与先导压力有关
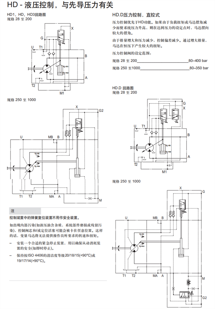
HD.D压力控制,直控式
压力控制优先于HD功能。如果由于负载扭矩或马达摆角减少而使系统压力升高,则在达到压力的设定点时,马达摆向较大的摆角。
由于排量增大和压力减少,控制偏差减少。通过增大排量,马达在恒压下产生较大的扭矩。压力控制阀的设定范围:
规格28至200______________________80-400 bar
规格28至200______________________80-400 bar
规格250至1000_____________________80-350 bar

注:
控制装置中的弹簧复位装置不用作安全装置。
如出现内部污染(如液压油含杂质,系统部件磨损或残留污染),控制阀芯和/或定位活塞可能会被卡在任意位置。这样的话,变量马达将无法提供操作员所要求的转速和扭矩。- 安装一个合适的紧急停止装置,用以确保从动消耗装
置的安全(如即时停止)。
- 保持按ISO 4406的清洁度等级20/18/15(<90℃)或
19/17/14(>90°C)。




