力士乐A6VE变量马达元件尺寸油口接板02:SAE油口侧面
发布时间:2022-12-15
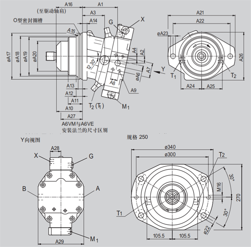
力士乐A6VE变量马达规格:28 55 80 107 160 250
力士乐A6VE变量插装式马达技术数据表:
系列 6
规格 公称压力/峰值压力
28...160 400/450 bar
250 350/400 bar
用于开式和闭式回路
力士乐A6VE变量马达元件尺寸油口接板02:SAE油口侧面
规格28…160

油口规格
壳体泄油口T1;T21)工作油口A,B SAE J518
DIN 3852 140 Nm²)28
M18x1,5;深12 3/4”
140 Nm²)3/4”55
M18x1,5;深12 140 Nm²)80 1”
M18×1,5;深12 140 Nm²)1”
107
M18x1,5;深12
230 Nm²)11/4”160
M26x1,5;深16 11/4”
210 Nm 2)250
M22x1,5;深14 1)1×堵住
2)最大拧紧扭矩
更多油口见变量马达A6VM(RC 91604)!





