DAIKIN转子泵RP系列的4种控制方式
大金转子泵RP系列的4种控制方式,下面给大家详细介绍:
一、压力补偿器控制A
优点和使用方法:
1、排出压力接近预设定全截止压力时,虽然维持该压力会保持必要的排量,但排量却在自动地减少。
2、全截止压力及排量可手动调整。 JIS液压符号和特性图形表示:

二、远程压力补偿器控制A-RC
优点和使用方法:
1、利用遥控溢流阀,可通过远程操作调整全截止压力。
2、可手动调节排量。 JIS液压符号和特性图形表示:

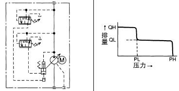
三、组合控制(自压式)CH
优点和使用方法:
1、能用1台泵进行低压大流量、高压小流量的控制,所以可达到节约动力并抑止油温上升。
2、排出压力接近预设定压力(PL)时,排量自动地减少到QL。
3、如果增减调节器的压力,排量也会自动变化,从而实现快进、缓进控制。
4、在开始加工的同时转换为缓进。 JIS液压符号和特性图形表示:

四、组合控制(电磁操作阀式)CJ
优点和使用方法:
1、通过电磁操作阀的ON-OFF 可进行低压大流量、高压小流量的转换,所以可实现调节器的快进、缓进。
2、转换为缓进之后,就能开始加工。
3、通过电磁操作阀的ON-OFF可获得2种泵的特性(高压大流量、低压小流量的控制) JIS液压符号和特性图形表示:

- 发布时间:2017-11-08 -




