A10VSO力士乐变量柱塞泵 规格尺寸 28 安装尺寸 ,传动轴
发布时间:2023-02-18
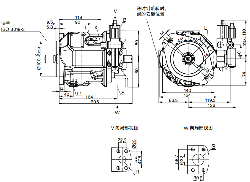
A10VSO力士乐变量柱塞泵 规格尺寸 28
DFR/DFR1—压力和流量控制,液压
—顺时针旋转
请在完成最终设计之前索取经过审核的安装图。尺寸以 mm 为单位。

油口:

1)有关最大紧固扭矩,应遵守第48页的安全说明。
2)根据不同应用情况,可能会出现瞬时压力峰值。选择测量设备和接头时应考虑这一点。用bar绝对压力表示的压力值。
3)仅尺寸依据SAE J518,公制紧固螺纹与标准螺纹存在偏差。
4)孔口平面可以比标准规定的深。
5)根据安装位置,必须连接L或L1(也可参见第44、45页上的安装说明)O=必须连接(交付时堵上)X=堵上(正常运行条件下)
A10VSO力士乐变量柱塞泵-传动轴:

1) ANSI B92.1a,30° 压力角,平齿根,侧面配合,公差等级5
2)花键(符合ANSI B92.1a).花键的跳动与标准之间存在偏差。
3)符合ASME B1.1标准的螺纹
4)符合DIN 13的螺纹
5)有关最大紧固扭矩,应遵守第48页的安全说明。




