A11VO系列力士乐轴向变量液压泵工作压力范围
发布时间:2023-03-09
力士乐轴向柱塞变量泵A11VO 开式回路
尺寸0...260
系列1
公称压力350 bar
峰值压力400 bar
规格:A11VO40,A11VO60,A11VO75,A11VO95,A11VO130,A11VO145,A11VO190,A11VO260
技术参数
工作压力范围
进油口
油口S(吸油口)绝对压力
无升压泵
Pabs min.
0.8 bar
Pabs max-
30 bar
如果压力> 5 bar,请咨询。
带升压泵
Pabs min.
0.6 bar
Pabs max-
2 bar
出油口
油口A或B的压力
公称压力PNL
350 bar
峰值压力Pmax
400 bar
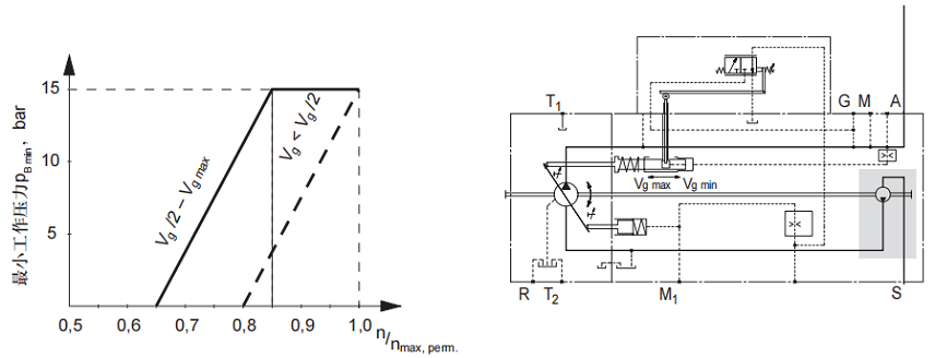
最小工作压力
泵的工作管路要求达到最小工作压力Pgmin,
,该压力与转速、摆
角和排量有关(见图)
壳体泄油压力
油口T1和T2的泄油压力最多可比油口S的进油压力高出
1.2bar,但不能大于下列数值:
PL
abs. max
2 bar.
需要无阻碍的全尺寸壳体泄油管路与油箱直接相连。
轴封温度范围
氟橡胶轴密封圈允许的壳体温度范围为-25°C至+115°C。
注意:
当温度低于-25°C时须用丁腈橡胶轴密封圈(允许温度范围:
-40°C至+90°C)。
请在订单上注明丁腈橡胶轴密封圈。
泵壳体的冲洗
带有控制装置EP、HD和DR或带行程限制器(H.,U.)的变量泵长时间(t> 10min)在零位或工作压力< 15 bar的状态下工作,须通过油口“T1"、“T2"或“R” 对壳体进行冲洗。
规格:
40607595
130 145 190 260
qvfush (Umin) 2 3 3
5
6
带升压泵(A11VLO)的型号不需冲洗壳体,因为部分升压流被导向壳体。当壳体泄油流量超出旋转组件的总流失和控制液流时,应引起注意。
升压泵(离心泵)
升压泵为循环泵,A11VLO (规格130...260) 借助此升压泵供油,从而可以较高的转速运转。同时该升压泵还有利于在低温和液压油粘度较高的情况下冷起动。因此,多数情况下不需要.
向油箱加压。升压泵的可允许油箱增压最高为2bar。





