A11VO60系列力士乐柱塞泵LRDCS:功率控制LR,带压力切断D、交叉传感控制C和负荷传感控制S
发布时间:2023-03-15
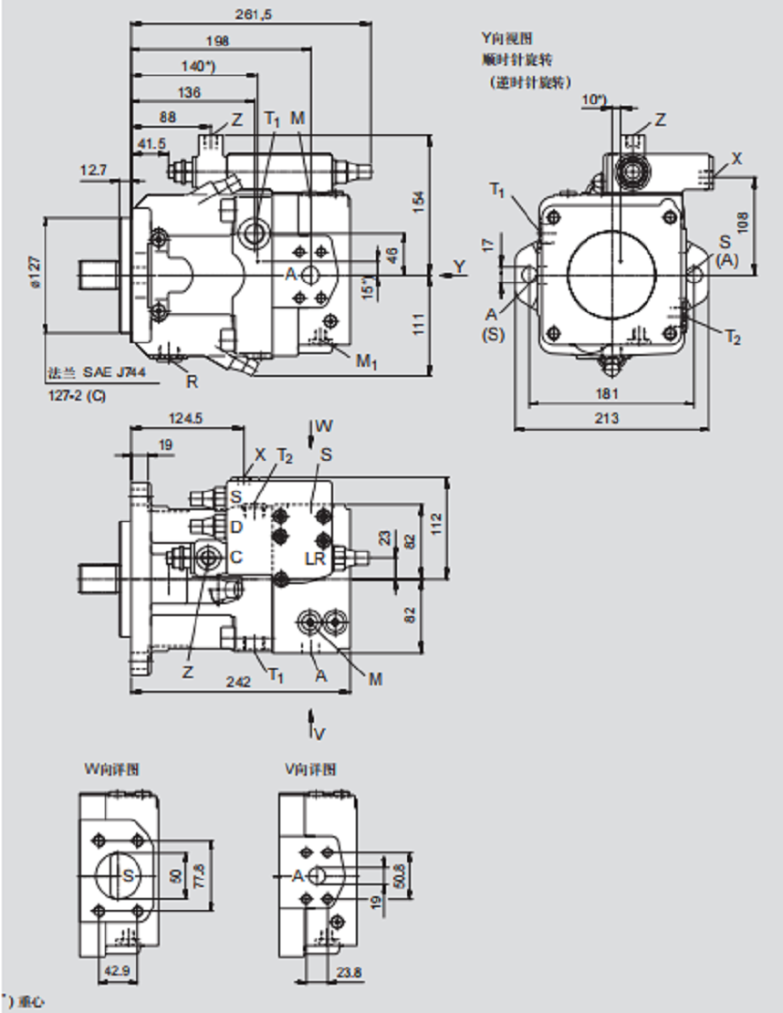
A11VO60系列力士乐柱塞泵
元件尺寸,规格60
LRDCS:功率控制LR,带压力切断D、交叉传感控制C和负荷传感控制S

在确定您的设计之前,请索取有效的安装图纸。
Z花键轴DIN 5480
W35x2x30x16x9g
P带键直轴
DIN 6885 - AS 10x8x56
S花键轴
1 1/4 in 14T 12/24DP 2)
(SAE J744- 32-4 (C))
T花键轴
1 3/8 in 21T 16/32DP 2)

)中心定位孔符合DIN 332
2) ANSI B92.1a-1976, 30°压力角、平齿根,齿侧对中、公差等级5
行走机械液压|博世力士乐RC 92 500/06.04 |A11V0




