工程机械四大趋势实现绿色高效发展
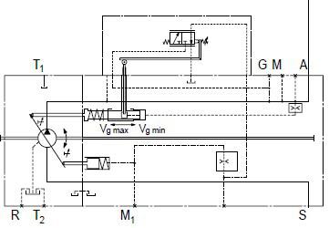
功率控制根据工作压力调节泵的排量,使功率在恒定驱动转速下,不超过泵的规定驱动功率

通过准确控制功率特性双曲线,得到最佳的功率利用。
工作压力通过活塞作用在摇臂上。而外部可调节弹簧力抵消此力,从而确定功率设定值。
如果工作压力超过设定的弹簧力,控制阀将被摇臂起动,使泵回摆(Vgmin方向).摇臂上的手柄缩短,从而使工作压力以排量减小的相同比率增加,而不超过驱动功率(PB.Vg=常数)
输出功率(特性)曲线受泵效率的影响。订货时请用文字说明
一一输出功率P,kW
一一驱动转速,rpm
一一最大流量
所有细节清楚后,可用计算机创建功率曲线。

规格40-145:LR

规格190-260:LR

- 发布时间:2017-11-08 -




