力士乐A11VO轴向柱塞变量泵-LR功率控制
发布时间:2023-03-12
力士乐A11VO轴向柱塞变量泵-LR功率控制
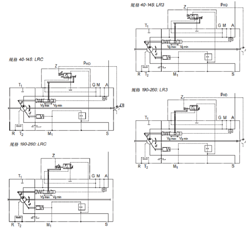
LRC,带交叉传感的越权控制
交叉传感控制是- -种总功率控制系统,在该控制系统下,A11VO和安装在通轴驱动上的相同规格的A11VO功率控制泵的总功率保持恒定。
如果泵工作时的工作压力低于设定的控制起点,则可以给另一泵提供驱动功率,极限情况达到100%。由此,总功率就会在两个系统间按需要进行分配。
由压力切断或其他越权功能限制的功率没有考虑在内。
半交叉传感控制功能
如果第1泵(A11VO)为LRC控制,而第2泵通轴泵为不带交叉传感的功率控制时,则第2泵所需的功率为总功率减去第1泵的功率。第2泵在总功率设置上具有优先权。
必领指定第2泵的规格和功率控制的控制起点,以确定第1泵的控制等级。
LR3,与高压有关的越权控制
与高压有关的功率越权控制是一- 种总功率控制,在该控制系统下,功率控制的设定由附加的定量泵(油口Z)的负载压力进行。
由此,变量泵A11V0可以设定到总驱动功率的100%。当定量泵的工作压力随负载升高时,变量泵A11VO的功率设定将与之成比例下降。定量泵在总功率设定中具有优先权。
用于减小功率的先导柱塞的测量面积与定量泵的规格有关。

轴向柱塞变量泵A11VO 开式回路
尺寸0...260
系列1
公称压力350 bar
峰值压力400 bar
力士乐轴向柱塞变量泵A11VO特性:
-斜盘式轴向柱塞变量泵,用于开式回路液压传动。
-主要用于行走机械领域。
-泵在自吸条件下,油箱加压或带内置升压泵(离心泵)的条件下工作。
-多种控制,满足不同的操作要求。
-即使泵在运行时也可在外部来调节功率控制。
-该泵带有通轴驱动,可承装齿轮泵或直到相同规格的轴向柱塞泵( 100%通轴驱动)。
-输出流量与驱动转速成比例,并可在最大值与零值之间无级变化。




