力士乐A11VO轴向柱塞变量泵-LG1/2功率控制
发布时间:2023-03-12
力士乐A11VO轴向柱塞变量泵-LG1/2功率控制
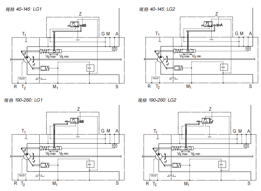
LG1/2,与先导压力有关的越权控制
通过外部先导压力信号对控制设定值进行越权控制。该先导压力通过油口Z作用在功率调节器的调节弹簧上。
通过不同的先导压力设定,可以对机械调节的基本设定值进行液压调节,以设定不同的功率模式。
如果随后通过外部功率限制控制对先导压力信号进行调节,则所有使用装置的总液压功耗可与发动机的驱动功率匹配。
用于功率控制的先导压力由非A11VO部件的外部控制元件产生。(参见数据表RC 95 310,电子负载限制控制,LLC)LG1,负功率越权控制带负功率越权的功率控制,LG1:由先导压力产生的力反
作用于功率控制的机械调节弹簧。先导压力增加,则功率下降。
LG2,正功率越权控制
带正功率越权的功率控制,LG2:由先导压力产生的力支持功率控制的机械调节弹簧。先导压力增加,则功率上升。.

轴向柱塞变量泵A11VO 开式回路
尺寸0...260
系列1
公称压力350 bar
峰值压力400 bar
力士乐轴向柱塞变量泵A11VO特性:
-斜盘式轴向柱塞变量泵,用于开式回路液压传动。
-主要用于行走机械领域。
-泵在自吸条件下,油箱加压或带内置升压泵(离心泵)的条件下工作。
-多种控制,满足不同的操作要求。
-即使泵在运行时也可在外部来调节功率控制。
-该泵带有通轴驱动,可承装齿轮泵或直到相同规格的轴向柱塞泵( 100%通轴驱动)。
-输出流量与驱动转速成比例,并可在最大值与零值之间无级变化。




