LR...功率控制,带行程限制器 - 力士乐A11VO轴向柱塞变量泵
发布时间:2023-03-12
LR...功率控制,带行程限制器 - 力士乐A11VO轴向柱塞变量泵
LR功率控制
LR...功率控制,带行程限制器
行程限制器可在整个控制范围内无级改变或限制泵的排量。先导压力Pst (最大40 bar)作用在油口Y上时,排量在LRH中设置,控制电流作用在比例电磁铁上时,则在LRU中设置。控制比例电磁铁需要12V (U1)或24V (U2)的DC电流。
功率控制优先于行程限制器控制,也就是说,在功率特性双曲线之下,排量由控制电流或先导电流控制。当超出规定流量或负荷压力的功率特性曲线时,功率控制将根据特性双曲线越权并降低排量。
为了让排量控制从起点位置Vg max摆向Vgmn,电气行程限制器LRU1/2和液压行程限制器所需的最小控制压力为30 bar。
所需控制油可从负载压力或油口G处外部施加的控制压力获得。
为保证行程控制器在工作压力较低的条件下正常运作,油口G处的外部控制压力至少约为30 bar。
注:如果油口G处没有外部控制压力,应将梭阀从泵上取下
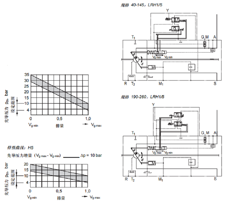
LRH1/5液压行程限制器(负特性)
控制从Vg max至Vgmin
随着先导压力的增加,泵摆向较小的排量。
控制起点(在Vg max时),可在4- 10 bar之间设置。
订货时,请说明所需的控制起点。
无控制信号(先导压力)的控制起点: Vg max .
特性曲线: H1
先导压力增量(Vgmax -Vg mn)_______ Ap = 25 bar

力士乐轴向柱塞变量泵A11VO特性:
-斜盘式轴向柱塞变量泵,用于开式回路液压传动。
-主要用于行走机械领域。
-泵在自吸条件下,油箱加压或带内置升压泵(离心泵)的条件下工作。
-多种控制,满足不同的操作要求。
-即使泵在运行时也可在外部来调节功率控制。
-该泵带有通轴驱动,可承装齿轮泵或直到相同规格的轴向柱塞泵( 100%通轴驱动)。
-输出流量与驱动转速成比例,并可在最大值与零值之间无级变化。




