LRH2/6液压行程限制器 ,LRU1/2电气行程限制器
发布时间:2023-03-12
力士乐A11VO轴向柱塞变量泵
LR功率控制
LRH2/6液压行程限制器(正特性)
控制从Vg min至Vg max
随着先导压力的增加,泵摆向较大的排量。
控制起点(在Vgmin时) ,可在4- 10 bar之间设置。
订货时,请说明所需的控制起点
没有控制信号(先导压力)的起点位置
-工作压力和外部控制压力< 30 bar时: Vg max
-工作压力或外部控制压力> 30 bar: Vg mn
特性曲线: H2
先导压力增量(Vg max- Vg min)
______0p= 25 bar

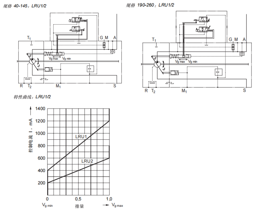
LRU1/2电气行程限制器(正特性)
控制从Vg min至Vgmax
随着先导压力的增加,泵摆向较大的排量。
电磁铁技术参数
LRU1
LRU2
电压
12V DC
24VDC
(士20 %)
(士20%
控制电流
Vq min时的控制起点
400 mA
200 mA
Vg max时的控制终点
1200 mA
600 mA
极限电流
.1.54 A
0.77 A
公称电阻(在20C 时)
5.5 Q
22.7 Q
颤动频率
100 Hz
100 Hz
工作时间
100 %
100%
根据插头类型而定,参见第58
保护等级
页。
无控制信号的起点位置(控制电流) :
-工作压力和外部控制压力< 30 bar时: Vgmax
-工作压力或外部控制压力> 30 bar: Vgmin
控制比例电磁铁可使用以下电子控制装置。
-比例放大器PV (参见RC 95023)
-电子控制装置RC (参见RC 95200)

力士乐轴向柱塞变量泵A11VO特性:
-斜盘式轴向柱塞变量泵,用于开式回路液压传动。
-主要用于行走机械领域。
-泵在自吸条件下,油箱加压或带内置升压泵(离心泵)的条件下工作。
-多种控制,满足不同的操作要求。
-即使泵在运行时也可在外部来调节功率控制。
-该泵带有通轴驱动,可承装齿轮泵或直到相同规格的轴向柱塞泵( 100%通轴驱动)。
-输出流量与驱动转速成比例,并可在最大值与零值之间无级变化。




