力士乐A11VO轴向柱塞变量泵 -DR压力控制,DRS压力控制
发布时间:2023-03-12
力士乐A11VO轴向柱塞变量泵 -DR压力控制,DRS压力控制
A11VO力士乐液压泵规格:A11VO40,A11VO60,A11VO75,A11VO95,A11VO130,A11VO145,A11VO190,A11VO260
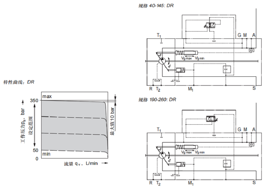
DR压力控制
即使在流量变化的情况下,该压力控制也能保持液压系统中的压力恒定。变量泵只提供执行器所需的液压油。
如果工作压力超过压力控制阀的设定压力,泵的排量自动摆回,直到压力偏差被纠正为止。
在零压力的非工作状态,泵借助控制弹簧摆向起点位置(V.)设定范围: 50至350 bar

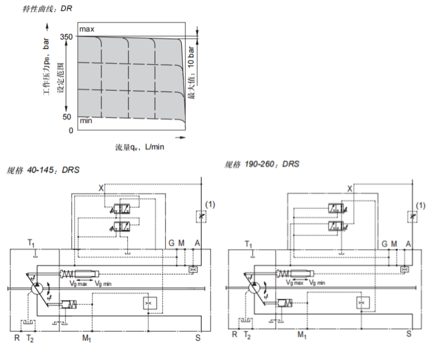
DRS压力控制,带负荷传感控制.
负荷传感控制是一种流量控制,它根据负载压力调节排量,使排量达到执行器的流量要求。
泵的流量与安装在泵出口和执行器之间的外部传感节流(1)的横截面积有关。流量在压力切断值之下以及在泵的整个控制范围内与负载压力无关。
传感节流孔通常为单独安装的负荷传感换向阀(控制多路阀)。该换向阀阀芯的位置决定了传感节流阀的打开面积亦即泵的流量。
负荷传感控制比较节流孔上游和下游的压力,并保持节流孔的压降恒定,从而使泵的流量保持恒定。
压差Ap增大时,泵朝Vg m回摆,Ap减小时,泵朝Vg mex摆出,直到阀内传感节流孔两端压差恢复设定值。
OP节流=P❽- P执行毒0p的设定范围在14 bar至25 bar之间。
压差的标准设定值为18 bar (订货时,请用文字说明)。
零行程工作(传感节流孔堵住)时的待命压力比0p设定值略高。
在标准的LS系统中,压力切断内置于泵的控制中。在LUDV(流量共用)系统中,压力切断内置于LUDV控制多路阀中。
(1)传感节流孔(控制多路阀)不在泵供应范围内。

力士乐轴向柱塞变量泵A11VO特性:
-斜盘式轴向柱塞变量泵,用于开式回路液压传动。
-主要用于行走机械领域。
-泵在自吸条件下,油箱加压或带内置升压泵(离心泵)的条件下工作。
-多种控制,满足不同的操作要求。
-即使泵在运行时也可在外部来调节功率控制。
-该泵带有通轴驱动,可承装齿轮泵或直到相同规格的轴向柱塞泵( 100%通轴驱动)。
-输出流量与驱动转速成比例,并可在最大值与零值之间无级变化。




