力士乐A11VO系列液压泵 -DR压力控制,DRL同步压力控制
发布时间:2023-03-12
力士乐A11VO轴向柱塞变量泵 -DR压力控制,DRL同步压力控制
DR压力控制
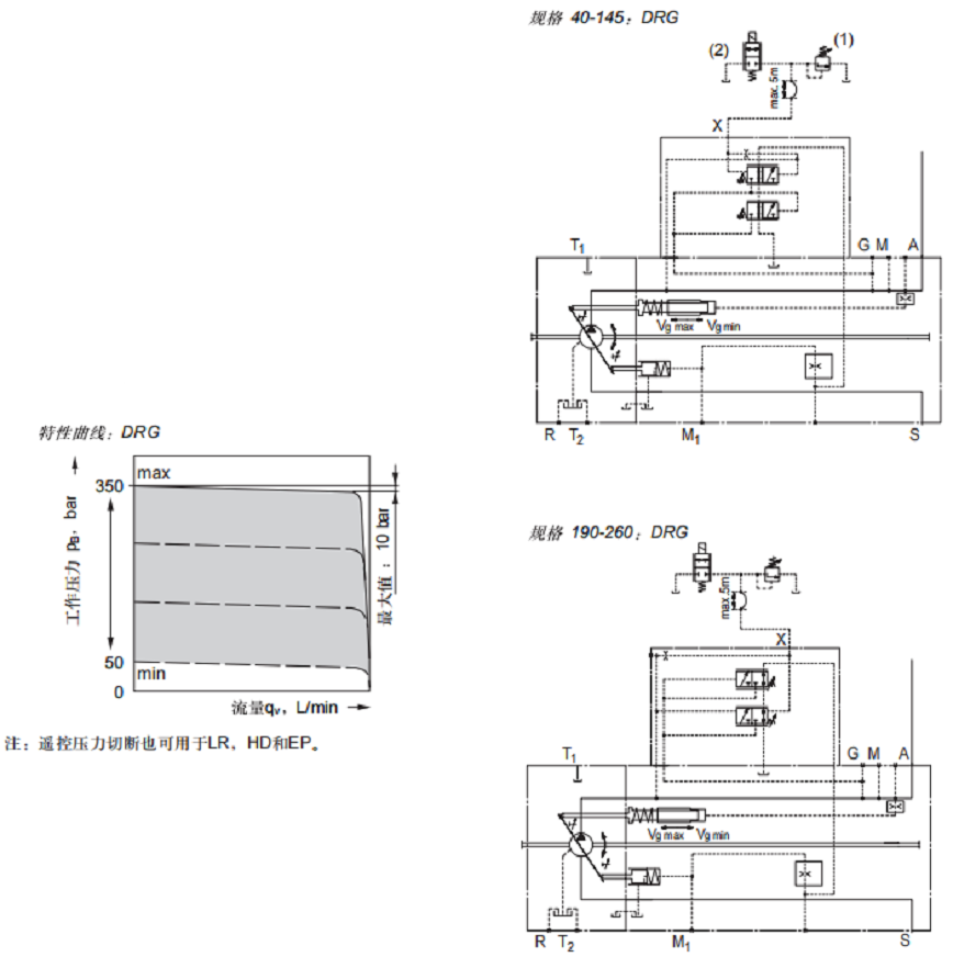
DRG压力控制,远程控制
遥控压力切断调节器通过独立安装的溢流阀(1)调节压力设定值。该阀的先导流量由控制模块中的固定节流阀提供。此溢流阀的压力值取决于控制阀芯的弹簧力。设定范围: 50至350 bar。
另外,可通过操作独立安装的2位2通换向阀(2)使泵工作于待命压力状态。
该两种功能可单独使用或组合实现(见回路图)。
外部阀不包括在泵的标准供货范围中。
我们建议采用下列阀作为独立溢流阀(1)
- DBDH6 (手动),参见RC 25402

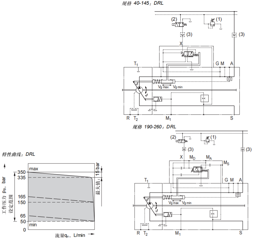
DRL同步压力控制
压力控制DRL适用于多个轴向柱塞泵A11VO在同步工作时的恒压调节。
同步压力控制的特性曲线成上升趋势,从qv max到qv min.上升约15 bar。 由此,将泵调节到与压力有关的排量位置,从而实现稳定的压力控制,而不需将单泵补偿器分级。
通过外部安装的溢流阀(1) ,可将与系统相连的所有泵的公称压力设定值调节到相同的数值。
设定范围: 50至350 bar。
通过单独安装的2位3通换向阀(2),每个泵都可单独从系统中脱离。
工作管路中(油口A)或控制管路(油口X)中的单向阀(3)必须供应。
外部阀不包括在泵的标准供货范围内。
我们建议采用下列阀作为独立溢流阀(1)。
- DBDH6 (手动),参见RC 25402。
远程控制阀的规格取决于并联安装的泵的数量,且应能应付各泵控制产生的先导流量的总和。

A11VO力士乐液压泵规格:A11VO40,A11VO60,A11VO75,A11VO95,A11VO130,A11VO145,A11VO190,A11VO260
力士乐轴向柱塞变量泵A11VO特性:
-斜盘式轴向柱塞变量泵,用于开式回路液压传动。
-主要用于行走机械领域。
-泵在自吸条件下,油箱加压或带内置升压泵(离心泵)的条件下工作。
-多种控制,满足不同的操作要求。
-即使泵在运行时也可在外部来调节功率控制。
-该泵带有通轴驱动,可承装齿轮泵或直到相同规格的轴向柱塞泵( 100%通轴驱动)。
-输出流量与驱动转速成比例,并可在最大值与零值之间无级变化。




