A11VO系列力士乐变量柱塞泵 - HD液压控制,与先导压力有关
发布时间:2023-03-12
力士乐A11VO轴向柱塞变量泵 -HD液压控制,与先导压力有关
HD液压控制,与先导压力有关
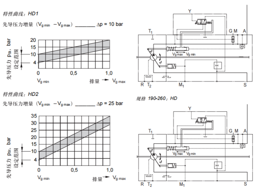
通过与先导压力有关的控制,可根据油口Y的先导压力按比例调节泵的排量。
最大允许先导压力Pstmax= 40 bar
控制从Vgmin至Vg max.
随着先导压力的增加,泵摆向较大的排量。
控制起点在Vgmin时),可在4- 10 bar之间设置订货时,请说明所需的控制起点无控制信号的起点位置(先导压力) :
-工作压力和外部控制压力< 30 bar: Vg max
-工作压力或外部控制压力> 30 bar: Vg min .
如果要将泵从起点位置Vgmin摆至Vgmax,需要施加30bar的控制压力。
所需控制压力可从负荷压力或油口G处外部提供的控制压力获得。
为保证工作压力小于30bar时的控制,油口G处需要的控制压力约为30 bar。.
注意:
如果油口G处不需要外部控制压力,应将梭阀从泵上取下,并堵住油口G。

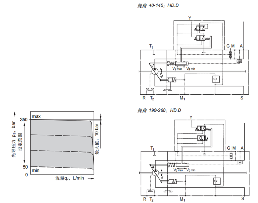
HD.D液压控制,带压力切断
力切断是-种压力控制,当达到预先设定的压力值时,它可将泵的排量回摆至Vgmin。
此功能优先于HD液压控制,即HD控制在低于预先设定的压力值时起作用。
压力控制功能设置在泵的控制模块中,并在工厂内设定成固定压力值。
设定范围: 50至350 bar

A11VO力士乐液压泵规格:A11VO40,A11VO60,A11VO75,A11VO95,A11VO130,A11VO145,A11VO190,A11VO260
力士乐轴向柱塞变量泵A11VO特性:
-斜盘式轴向柱塞变量泵,用于开式回路液压传动。
-主要用于行走机械领域。
-泵在自吸条件下,油箱加压或带内置升压泵(离心泵)的条件下工作。
-多种控制,满足不同的操作要求。
-即使泵在运行时也可在外部来调节功率控制。
-该泵带有通轴驱动,可承装齿轮泵或直到相同规格的轴向柱塞泵( 100%通轴驱动)。
-输出流量与驱动转速成比例,并可在最大值与零值之间无级变化。




